
About
My name is Jack Cassidy
I am a computer engineer student at Iowa State University with a interest in Hardware and Embedded Systems. I am also part of the Marching Band and Pep Band at Iowa State
​
Contact Information
630-270-9626

Career Objective
My career objectives are right out of college to get a full time in at engineering company and contribute to company to the best of my ability. I would like to have a position similar to my internship over this past summer where right of the gate I get to contribute to the overall project and use the skills I've learned in my coursework to my advantage.
Senior Design
Description of Project - We are trying to replicate and provide the means to manipulate the distortion created by a vacuum tube amplifier. Musicians often use "sound effect" devices to maniupulate sound coming out of an instrument. Vacuum tube amplifiers are said to produce a unique type of distortion which many people have grown to appreciate. Our project will attempt to provide a solid state design to replicate this type of distortion at a lower price. We will also attempt to provide the means to manipulate the distortion so that musicians may use our device as more than a simple amplifier.
​
My Role - I am the Git Manager and the Secretary of our project. Every week I take notes on notes on what we are discussing and we need to do so we have an organized process of what to do. I also manage all the git activity where my duties include making issues and milestones, having weekly stand-up meetings, and reviewing all the changes.
​
Skills or knowledge gained - From this project a learned a lot about project planning and git management which are skills extremely applicable to jobs that I want to get. I have also learned a lot from using an assortment of technologies that I am unfamiliar with, then learn them and use them to help my problem solving skills more further.
​
​
​
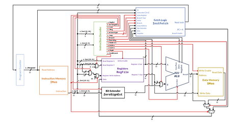
CPR E 381 - Single Cycle MIPS Processor
Description of the project- In this course we were given a project to design a single cycle processor that could uses MIP assembly language. My group partner and I designed the functional components such as the Arithmetic Logic Unit, Fetch Logic, and the Register Files using concepts that we learned in class and from past courses. In order to see that our processor is functional, we had to run python scripts that took assembly code that we wrote and ran it in our hardware descriptive language files to show the intended functionality. The photo on the left is the schematic of our final design and all the logic that goes into it and the photo on the right is a fun one where realized that you could implement the logic from the Arithmetic Logic Unit into the popular game of Minecraft. I used the design that I developed in class to build it in the game and it really cool to the fundamentals that I learned in that class in the game.
My role- My role on this project was basically everything that a software engineer would do to complete a project. Duties included managing the git repository, designing and developing the code for functionality, testing to ensure it work as functionality indented, and report the final design.
Skills or knowledge gained- I learned more about computer architecture and the fundamental nature of how a computer works, it taught me a lot of applications with computer design and really felt like all aspects of my major came together in one class and show how important the majority of courses that I am taking are.
Resources used-MIPS Assembly, VHDL, Git Control Flow


CPR E 288 Project - Mars Rover Project with Roomba
Description of project - In my embedded systems course, we had a microcontroller placed on top of a iRobot Roomba and we had to learn C code to put on the microcontroller and figure out how to navigate through a obstacle course to a similar mars rover mission. We had to use a lot of sensor, spatial awareness, and wifi to connect to the roomba and operate a mock mars mission away from the device. It was really cool to problem solve and figure out how to do that.
My Role - My role on this project was to figure out how to test this device and make sure it was functionally operation to the criteria that was given to us.
Skills or knowledge gained - How to work as an engineer in a team setting and problem solve a difficult and complex problem. Microcontroller development and how problem solve with microcontrollers. C programming skills with pointer and memory management.
Resources used- C Programming Language, Microcontroller Development, Hardware Debugging


CPR E 281 - Digital Alarm Clock
Description of project - My partner and I were task to design a project using the digital logic principles that we learned in class. We decided to make a functionally digital alarm clock that would count the time down until the alarm that the users set and then after that set time, an "alarm" would go off and show you that it is functional. We design a lot of unique components to make sure our project was working as intended such as a custom device that would change the time from am to pm and also registers that would hold the set alarm time and use a comparator with it to tell the correct time.
My role- My role on this project was basically everything that a software engineer would do to complete a project. Duties included designing and developing a system I would work, use Quartus to interface our design, and debugging until it is correct and up to our standards.
Skills or knowledge gained- Digital Logic Design, FPGA development, How to start a major project with new technologies that we just learned about. We also learned how to debug in Model Sim
Resources used- Quartus, FPGA, Digital Logic Design, Model Sim, Verilog

Thales Software Engineering Internship
Duties and project - I was put on the team that designed and developed a Helmet Mounted Display for aircraft carriers. A lot of my tasks on the project included microcontroller development for other engineers on the team to make their jobs easier and less time consuming. I also learned a bunch of Linux distributions that we would place on a processor and make the code that other software engineers develop run on it and make sure that the equipment was functional. Lastly I went through rigorous peer review of other engineer's code to make sure there would be no errors and it was clean.
Skills learned - technical and soft- I learned a lot about how to work as an engineer in a technical setting and how to problem solve problems when they come up. I also learned to use git control flow to my advantage and stay organized in what I am doing and understand more fully what I am doing. For technical skills I learned more about microcontroller development, specifically STM32 development and communication protocols such as I2C and UART. I also gained a better understand of operating systems and could now apply those skills in my courses that I am currently taking.
Evaluations - Every week we had a standup meeting with just the software teams to talk about what we are working on and try to figure out any ways we could help the other engineers. Also every week we had meetings with our project teams where we discussed what was needed and what could be done further to develop the project more.
Presentations - At the end of the internship I had to give a presentation on all the work I did to all the coworkers that helped me through out the process. I was really cool to understand what I was working on and how it benefited the company that I worked for.

